logo
 
 

Power Supply Disconnect Sequence?

2024 2720QB New owner here, trying to learn. I tried boon-docking this last weekend in GSNP to try and learn my limits on battery power, and water tan...

 
 

Replacing WFCO Converter

Hello, our converter seems to have failed on our 2012 2720. I tested with a MM & ran shore power while disconnected from batteries & no DC or battery ...

 
 

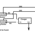
I Hate That WFCO Fuse Board! (With 12V ATC Fuses)

Most of the 'mounting tabs' for my 18-year-old WFCO 'Power Center' have broken off because the plastic has become brittle with age. I replaced the pow...

 
 

2720 With 2 King Beds?

Found this on Facebook. The guy swears up and down it has two long beds. How is this possible?

 
 

2013 Trailmanor 2720SL $12900 Holland, MI

I have up for sale our 2013 Trailmanor 2720SL with the slide-out couch. It's ready to go camping today. The only reason for selling is we just bought ...

 
 
ARTICLES FROM OUR PARTNERS
 

Year-Round RV Tire Maintenance Tips for Safety

Here are some RV tire tips for each of the four seasons to keep you rolling safe regardless of the temperature or season.

 

Discover the Best RV Camping Spots in Alabama

Explore the top Alabama RV camping destinations with these 8 can't-miss state parks for outdoor adventure. There's so much to see in Alabama!

 

Solo RVing: Are You Prepared for the Journey?

Don't let solo travel stop you from getting out there. It might be the best decision you've ever made! Let's look at the pros and cons.

 

Can You Legally Tow an RV with Expired Tags?

Every state requires RVs to be licensed. An expired registration could result in the RV being towed and the driver cited by the police.

 
 

To view this email as a web page, click here


To view past issues of this newsletter, click here


TrailManor Owners is owned & operated by Social Knowledge, LLC
2600 E Southlake Blvd Suite 120-361 Southlake, Texas 76092

Click here to view our privacy policy.

Questions or Comments? Contact support at [email protected].

Add [email protected] to your address book to ensure future emails arrive.

Join us on Facebook Join us on Facebook